Menü
Leider wurde diese Artikelnummer nicht gefunden, aber vielleicht meinen Sie dieses Produkt:
240-08

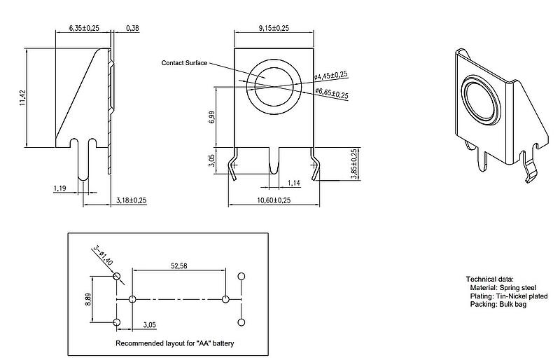
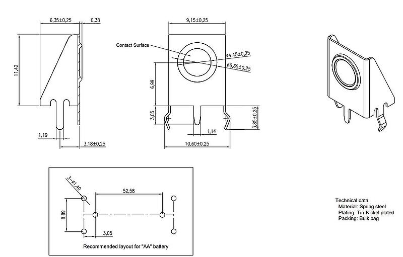
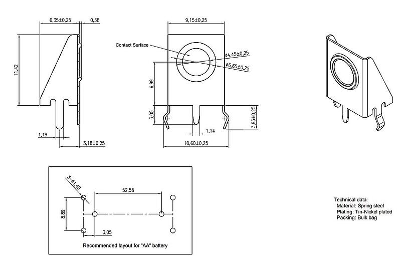
Pluskontakt für Rundzellen, A, AA, CR2, CR123A, 9 Volt


Ihre Suche war mit einer veralteten Artikelnummer. Hier ist die aktuelle Version.
Produktvergleich
Abbildung
Technische Daten
mehrweniger
Veredelung Kontakt Zinn-Nickel-Legierung
Leiterplattenanschluß Einlöt Einlöt
Ausrichtung zu PCB 90°
Material Federstahl
Verpackung Lose, 100St.
Polarität Pluspol
Batteriegrößen A, AA, CR2, CR123A, 9 Volt
+49 (0) 83 62 / 91 56-0 Kontaktformular