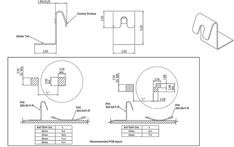
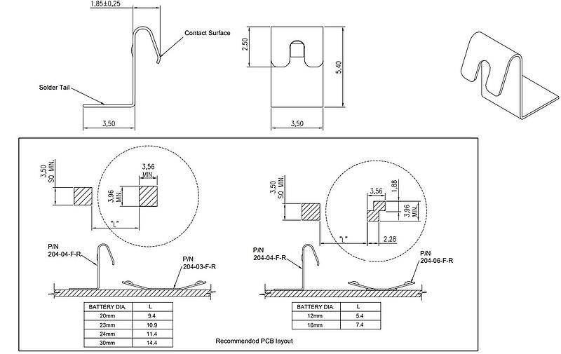
Technische Daten
mehrweniger| Veredelung Kontakt | Flash Gold über Nickel |
| Leiterplattenanschluß | SMT |
| Ausrichtung zu PCB | 90° |
| Material | Edelstahl |
| Verpackung | Rolle, 1000St. |
| Polarität | Pluspol |
| Batteriedurchmesser | 12 mm bis 30 mm |
| Batteriehöhe | ab 5,0 mm |
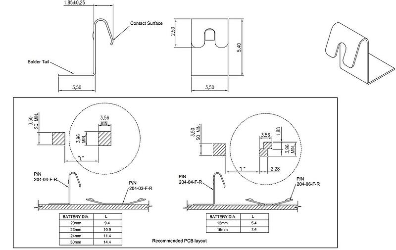
| Veredelung Kontakt | Flash Gold über Nickel |
| Leiterplattenanschluß | SMT |
| Ausrichtung zu PCB | 90° |
| Material | Edelstahl |
| Verpackung | Rolle, 1000St. |
| Polarität | Pluspol |
| Batteriedurchmesser | 12 mm bis 30 mm |
| Batteriehöhe | ab 5,0 mm |