Menü
Leider wurde diese Artikelnummer nicht gefunden, aber vielleicht meinen Sie dieses Produkt:
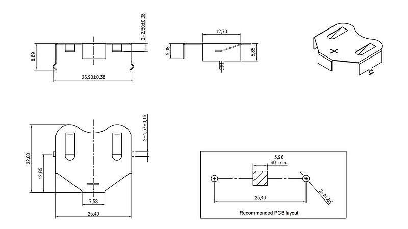
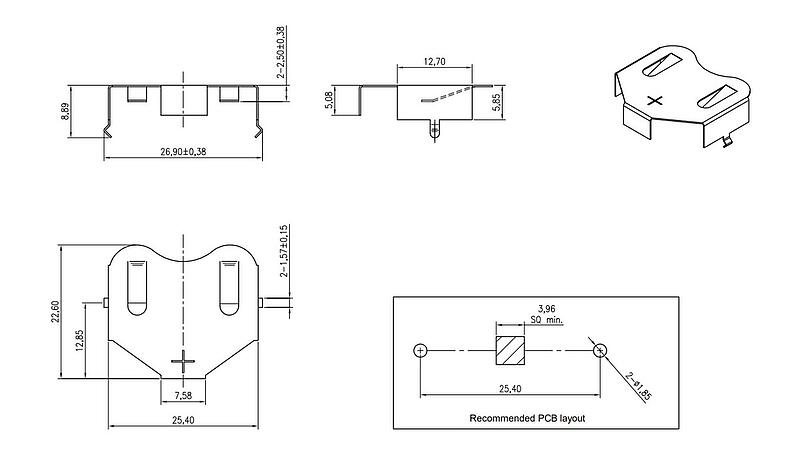
240-16

Minuskontakt für Knopfzellen, 24 mm


Ihre Suche war mit einer veralteten Artikelnummer. Hier ist die aktuelle Version.
Produktvergleich
Abbildung
Technische Daten
mehrweniger
Veredelung Kontakt Zinn-Nickel-Legierung
Leiterplattenanschluß Einlöt Einlöt
Material Phosphor-Bronze
Verpackung Lose, 100St.
Batteriegrößen 24 mm
+49 (0) 83 62 / 91 56-0 Kontaktformular