Menü
Leider wurde diese Artikelnummer nicht gefunden, aber vielleicht meinen Sie dieses Produkt:
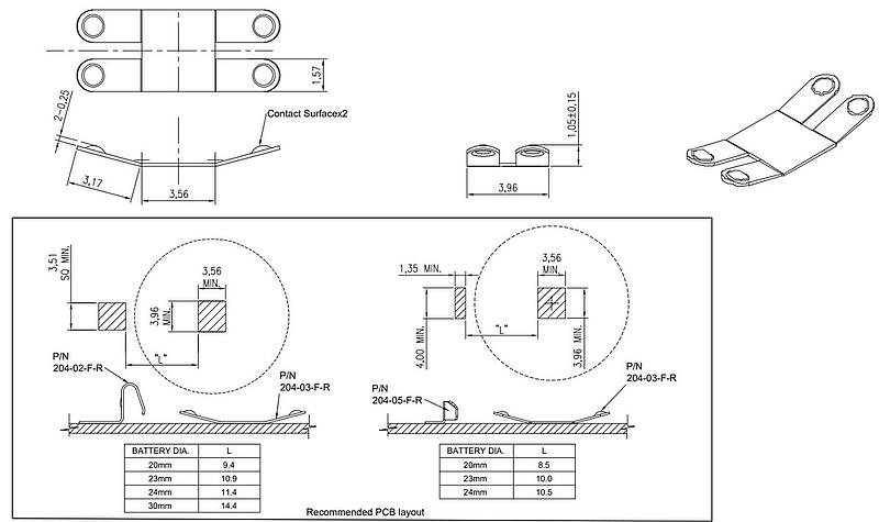
240-03

Minuskontakt für Batterien, 20mm bis 30mm


Ihre Suche war mit einer veralteten Artikelnummer. Hier ist die aktuelle Version.
Produktvergleich
Abbildung
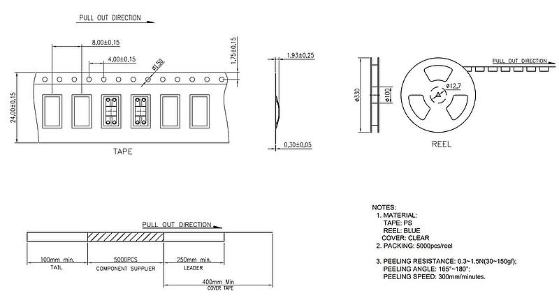
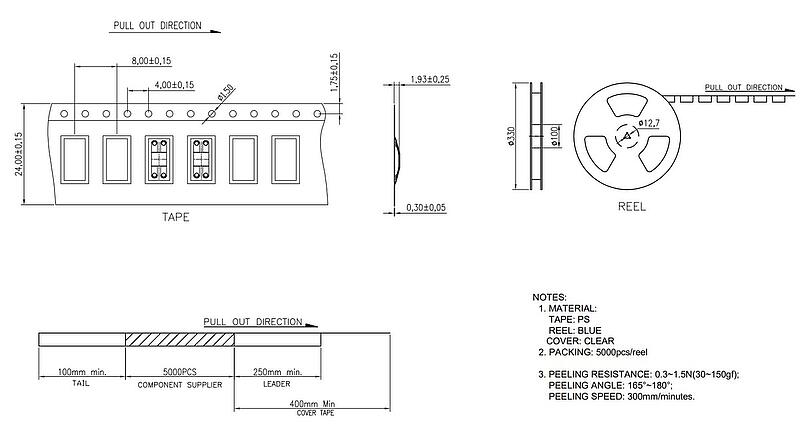
Technische Daten
mehrweniger
Veredelung Kontakt Flash Gold über Nickel
Leiterplattenanschluß SMT
Ausrichtung zu PCB horizontal
Material Edelstahl
Verpackung Rolle, 5000St.
Polarität Minuspol
Batteriedurchmesser 20 mm bis 30 mm
+49 (0) 83 62 / 91 56-0 Kontaktformular